MCCO GROUP
01 / 16
Inspección termográfica inteligente

Ver lo que la pala
no puede esconder.

Inspección termográfica aérea con dron DJI Matrice 4T sobre palas hidráulicas Komatsu PC8000-6E, asistida por una IA entrenada sobre 8,709 páginas de documentación oficial y 212 códigos de falla del fabricante.

Plataforma
DJI Matrice 4T
Equipo objetivo
Komatsu PC8000-6E
Cobertura
16 componentes · 11 fallas
Preparado por
MCCO Group SpA · 2026
01 · El problema
02 / 16
Pérdidas invisibles

Una PC8000 detenida no cuesta horas.
Cuesta millones.

Las fallas catastróficas de palas hidráulicas clase 800 toneladas muestran firma térmica detectable entre 7 y 30 días antes del colapso. Sin inspección termográfica sistemática, esa ventana de oportunidad se pierde.

USD 7M
Costo incendio pala (F10)
USD 1.8M
Bypass interno cilindro boom (F1)
USD 800K
Rodamiento swing catastrófico (F3)
82°C
Límite aceite hidráulico
(OMM p.295)
Lo que pasa hoy en terreno
  • Inspector en altura sobre pala de 15 metros, expuesto a riesgo directo
  • Criterio subjetivo "se ve caliente" sin registro cuantitativo
  • Shutdown de 4–8 hrs para inspección visual completa
  • Fugas de aceite cerca de superficies calientes — F10 inminente sin detectar
  • 212 G-codes del PLC sin correlación con la inspección visual
F10 · riesgo incendio real
Fuga de aceite en tubería PC8000
Fuga activa aceite hidráulico cerca de superficie caliente documentada en terreno. Este tipo de condición genera incendios con costo USD 1.5M–7M por evento.
02 · Anatomía del objetivo
03 / 16
Komatsu PC8000-6E

752 toneladas. 20 metros. 310 bar.
6 kV en bornes.

La PC8000 no es una excavadora grande. Es un sistema industrial de alta tensión con 6 bombas axiales, 4 bancos de válvulas, 8 motores hidráulicos y 2 motores eléctricos de 3 MW. Cada subsistema tiene firma térmica propia que la termografía puede leer.

Fig 3-70 · frontal
Dimensiones frontales PC8000
Dimensiones básicas vista frontal
Fig 3-71 · perfil
Perfil lateral PC8000
Perfil lateral con medidas
Fig 4-91 · corona
Corona de giro PC8000
Swing circle — corona de giro
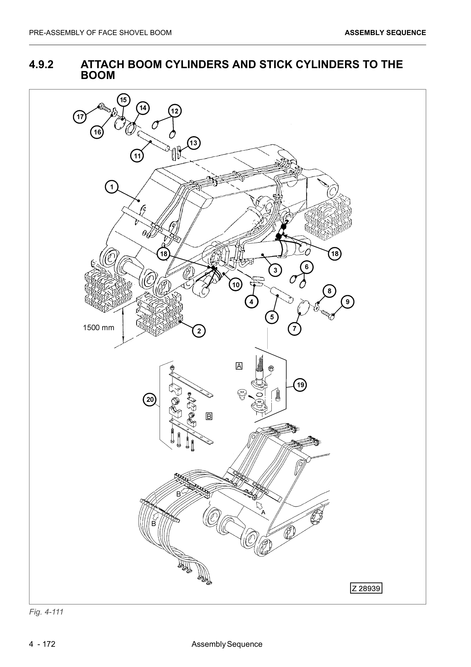
Fig 4-111 · cilindros
Montaje cilindros boom stick
Montaje cilindros boom / stick
Fig 4-72 · vista explosionada oficial
Vista explosionada PC8000
24 módulos principales del PC8000 — referencia base para planificación de rutas termográficas. Cada módulo tiene su firma térmica normal documentada en el brain MCCO.
Ficha técnica PC8000-6E
Clase800 toneladas
Peso operativo752–767 ton
Capacidad balde~42 m³
Altura boom extendido20+ m
Alimentación eléctrica6,000–7,200 V AC
Motores principales2× E-Motor AC (3 MW)
Bombas hidráulicas6 (pistones axiales)
Presión nominal310 bar
Aceite hidráulico~8,700 L
Bancos de válvulas4
Motores hidráulicos8 (giro + traslado)
Carga por cilindro boom200+ toneladas
03 · Mapa de inspección
04 / 16
Puntos que revisamos en cada vuelo

Cada cuadrante de la pala
tiene su propia historia térmica.

Metodología MCCO: 16 componentes críticos mapeados sobre el cuerpo de la pala, agrupados en 4 zonas operacionales con rutas de vuelo específicas. Sin improvisación, sin puntos olvidados.

PC8000 puntos de inspección
1
2
3
4
5
6
7
8
Puntos prioritarios de inspección
1Cilindros stickF1
2Mangueras boom altoF4
3Cilindros boom (2)F1
4Pasadores boom/baseF7
5Superestructura · coolersF2·F6·F11
6Motor eléctrico + tableroG00210+
7Motor swing + coronaF3·F7
8Cilindros / pasadores baldeF1·F7
CRÍTICO
ALTO
SISTEMA
04 · Catálogo de componentes
05 / 16
16 fichas técnicas MCCO

Cada componente tiene
su ficha. Su firma. Su procedimiento.

No inspeccionamos "la pala". Inspeccionamos 16 componentes con ficha individual: especificaciones técnicas, firma térmica normal vs anómala, referencia exacta al manual Komatsu, G-code asociado y prompt de reconocimiento para IA.

01
Cilindros boom
2 uds · CRÍTICO
02
Cilindros stick
2 uds · ALTO
03
Cilindros bucket
2 uds · MEDIO
04
Motor swing
4 uds · CRÍTICO
05
Bombas principales
6 uds · ALTO
06
Oil coolers
2 bancos · CRÍTICO
07
Radiadores motor
2 uds · ALTO
08
Motores traslado
2 uds · MEDIO
09
Válvulas control
4 bancos · ALTO
10
Motor eléctrico (3 MW)
2 uds · CRÍTICO
11
Swing circle
1 ud · ALTO
12
Tanque hidráulico
8,700 L · ALTO
13
Mangueras boom
~40 uds · ALTO
14
Fittings / conexiones
100+ uds · ALTO
15
Tablero alta tensión
1 ud · CRÍTICO
16
Pasadores + bushings
12+ uds · ALTO
5
Componentes CRÍTICO 1

Cilindros boom, motor swing, oil coolers, motor eléctrico, tablero AT. Concentran el 80% del riesgo de falla catastrófica.

9
Componentes ALTO

Bombas, radiadores, válvulas, swing circle, tanque, mangueras, fittings, pasadores, cilindros stick. Deterioro lento pero progresivo.

2
Componentes MEDIO

Cilindros bucket, motores traslado. Inspección estándar, baja probabilidad de falla crítica vs otros sistemas.

05 · Catálogo de fallas
06 / 16
Matriz F1 — F11 · machine-readable

11 modos de falla con
firma térmica documentada.

Cada modo cruza síntomas visuales, térmicos y auditivos con G-codes del PLC Komatsu, acción inmediata y costo de falla. El operador no recibe "se ve caliente" — recibe "F2 con Delta T de 22°C, G-code G00066, ref Shop Ch.7 p.275".

F1
Bypass interno cilindro
Hotspot 20–40°C vs gemelo
USD 605K – 1.83M
F2
Oil cooler obstruido
Delta T entrada–salida <10°C
USD 380K – 750K
F3
Rodamiento swing motor
Carcasa >100°C + drenaje
USD 500K – 800K
F4
Fuga manguera / fitting
Mancha térmica descendente
USD 55K – 165K
F5
Bomba hidráulica desgastada
Delta T >15°C entre bombas
USD 380K – 750K
F6
Ventilador cooler defectuoso
Cooler uniformemente caliente
USD 15K – 50K
F7
Pasador sin lubricación
Ausencia firma térmica grasa
Desgaste acelerado
F8
Radiador motor obstruido
Zonas calientes irregulares
Sobrecal. motor
F9
Freno traslado arrastrando
Asimetría térmica izq/der
Desgaste freno
F10
⚠ RIESGO INCENDIO
Aceite + superficie caliente
USD 1.5M – 7M
F11
Bypass termostático trabado
Aceite no circula al cooler
Reparación
212
G-codes correlacionados
PLC MTC + KOMTRAX Plus
Base oficial Komatsu
F4
Fitting con fuga de grasa
F4 — Fuga fitting. Síntoma visual típico detectado con zoom.
F7
Pasadores del balde
F7 — Pasadores. Verificación firma térmica grasa.
F1
Cilindros y mangueras
F1 — Cilindros. Zona de observación bypass interno.
F10
Fuga aceite tubería
F10 — Incendio. Aceite sobre superficie caliente.
06 · Diferenciador MCCO
07 / 16
Brain PC8000 + SRP Vision

El dron captura.
La IA diagnostica.

Construimos un cerebro documental 100% enfocado en PC8000 a partir de 11 manuales oficiales Komatsu. Esa base alimenta nuestra IA de diagnóstico: cuando el dron detecta una anomalía térmica, la IA la cruza con el conocimiento del fabricante y entrega un diagnóstico con trazabilidad manual.

11
Manuales Komatsu indexados
8,709
Páginas oficiales procesadas
212
G-codes estructurados
16
Fichas componentes críticos
640 MB
Base de conocimiento
🎯
Captura
Dron M4T detecta
anomalía térmica
🧠
Análisis IA
Cruce con Brain PC8000
+ G-codes + failure-patterns
Diagnóstico
Work order con:
F-code + G-code + página manual + repuesto
Capa 1

Conocimiento técnico del fabricante

Shop Manual, OMM, E-Plan, PARTS, Troubleshooting. 8,709 páginas oficiales Komatsu extraídas, estructuradas y correlacionadas. Cada diagnóstico cita página exacta del manual original.

Capa 2

Conocimiento técnico de drones

Emisividades calibradas por material Komatsu, paletas térmicas óptimas por componente, distancias de vuelo seguras, protocolos por condición operativa. Metodología propia MCCO.

Capa 3

Inteligencia de campo (SRP Vision)

Cuando el dron identifica un hallazgo, SRP Vision (IA con visión) asiste al técnico en terreno con diagnóstico asistido: identificación del componente en vivo, procedimiento paso a paso y confirmación antes de intervenir.

"Otros entregan fotos térmicas con una flecha roja. Nosotros entregamos: 'F2 — Oil cooler obstruido. Delta T entrada-salida 7°C (normal >10°C). G-code correlacionado: G00066. Acción: limpieza con agua media presión. Ref: Shop Manual Ch.7 p.275. Riesgo de cascada: si no se actúa en 7 días, F6 ventilador + sobrecalentamiento sistema hidráulico completo.'" — Metodología diagnóstico MCCO
07 · La ventana invisible
08 / 16
Delta T antes de falla catastrófica

El aceite no se enciende a 70°C.
Se enciende a 200°C.

Entre el primer síntoma térmico y la falla catastrófica hay una ventana de 7 a 30 días. La termografía radiométrica convierte esa ventana en trabajo planificado, no en emergencia.

Escala térmica operativa PC8000

20°C50°C70°C82°C ⚠100°C150°C200°C 🔥
NORMAL · 50–80°C
Componentes en rango. Continuar monitoreo.
OBSERVACIÓN
Patrón inusual pero en rango. Registrar trending.
ALERTA · ΔT 20–40°C
Inspección en próximo PM. Plazo: 1–7 días.
CRÍTICO · ΔT >40°C
Detener equipo. Plazo: 0–4 horas.
Parámetros térmicos calibrados
Emisividad pintura Komatsu amarilla0.92–0.95
Emisividad aluminio (aletas coolers)0.85
Rango operativo componentes20–120°C
Paleta recomendada inspección generalIronbow
Paleta recomendada oil coolersRainbow HC
Distancia óptima vuelo3–10 m
Modo capturaRadiométrica (R-JPEG)
Límite crítico aceite hidráulico82°C (OMM p.295)
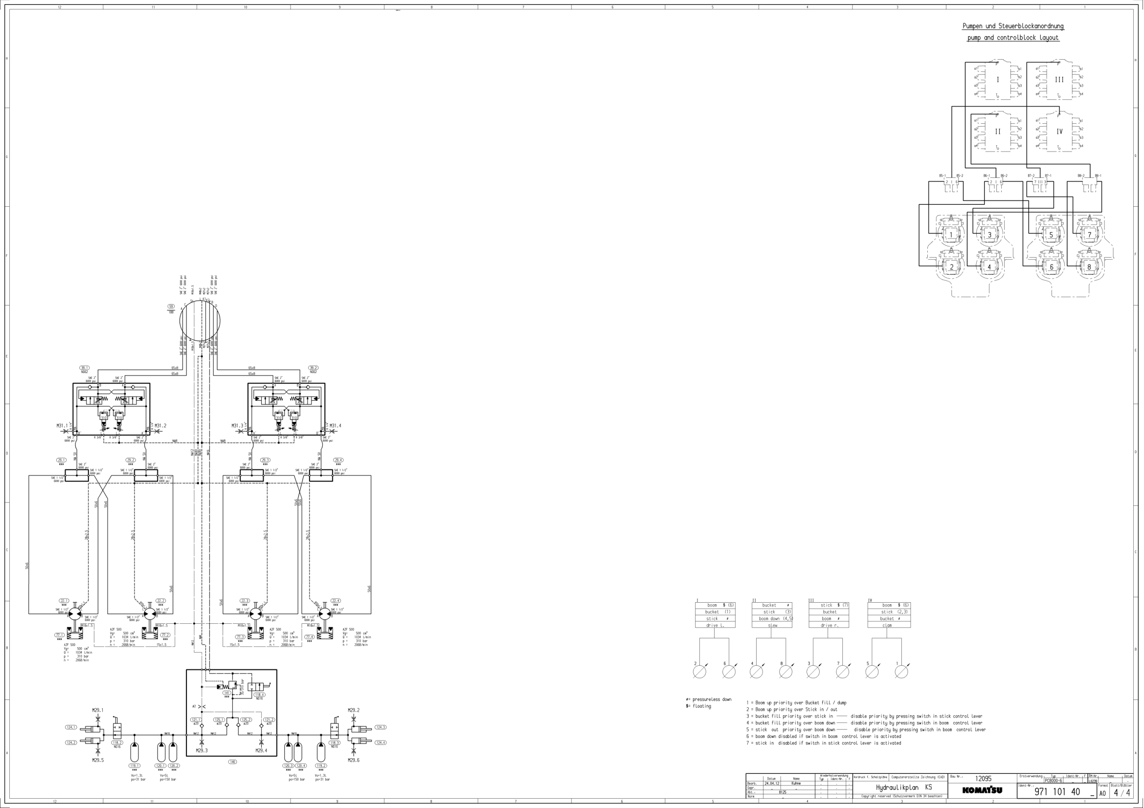
Shop Manual · BLATT 04 oficial
Diagrama hidráulico oil coolers
Circuito hidráulico oficial — oil coolers + bypass termostático + control giro. Base técnica para interpretar la firma térmica contra los planos de ingeniería Komatsu.
08 · La alternativa a lo anterior
09 / 16
Metodologías comparadas

Escalera, andamio o drone.
Solo uno tiene sentido.

Criterio Inspección visual manual Termografía con escalera/andamio Dron DJI Matrice 4T
Tiempo por pala4–8 hrs6–12 hrs (incluye setup)40 min
Personas en altura2–3 personas2–3 personas + certificación0 personas
Shutdown requeridoCompleto (4–8 hrs)Completo (6–12 hrs)Parcial (40 min) o inspección visual en operación
Acceso a componentes 15–20 mLimitadoSí (con riesgo)Total
Acceso a alta tensión energizadaProhibidoProhibidoSí (seguro, sin contacto)
Datos cuantitativos (ΔT, temperatura)NoSí, puntualSí, registro completo georreferenciado
Trazabilidad históricaCuadernoFotos térmicas sueltasDataset comparable vuelo a vuelo
Correlación con G-codes del PLCNoNoSí (212 G-codes en brain MCCO)
Frecuencia viableMensualTrimestralSemanal o quincenal
Costo marginal inspección adicionalAlto (tiempo personal)Alto (setup andamio)Bajo (marginal = solo vuelo)
"El dron no reemplaza al mantenedor. Reemplaza el riesgo. El mantenedor baja del andamio y sube al dashboard." — Principio operacional MCCO
09 · La plataforma correcta
10 / 16
DJI Matrice 4T · Enero 2025

Por qué Matrice 4T
y no cualquier otro dron.

El Matrice 4T es el primer dron enterprise con cámara termográfica radiométrica integrada de 640×512 nativo y Super-Resolución 1280×1024, precisión ±2°C, a solo 1.22 kg. Ninguna otra plataforma en su rango de peso lo iguala.

Especificaciones que importan para inspección PC8000

Sensor térmico
640×512
Nativo · VOx microbolómetro
Super-Resolución
1280×1024
Modo High-Res activable
Precisión térmica
±2°C
High-Gain · radiométrica completa
Rango medición
-20 a 550°C
Low-Gain · cubre incendio incipiente
Zoom visual
168 mm
Inspección a distancia segura
Autonomía
49 min
1 pala completa por batería
Resistencia viento
12 m/s
Suficiente para minería de altura
Altitud máxima
6,000 m
Opera en cualquier faena chilena
Temperatura operativa
-10 a 40°C
Cubre turno 24/7
RTK integrado
1 cm
Precisión horizontal · de serie
Telémetro láser
1,800 m
Medición precisa distancia al target
Encriptación
AES-256
+ Modo Datos Local (sin cloud)
Ventaja 1

Radiométrica completa

Cada píxel guarda dato de temperatura. Post-procesamiento permite cambiar emisividad, rango y paleta sin re-vuelo. Dataset consultable años después.

Ventaja 2

Detección obstáculos omnidireccional

Vuelos a 3–5 m del boom sin riesgo de colisión. 6 lentes fisheye HD + IR inferior. Binocular 0.4–22.5 m frontal/trasero, 0.5–32 m lateral.

Ventaja 3

Modo nocturno + Spotlight NIR

Inspección en turno nocturno con iluminación auxiliar NIR. La pala sigue caliente en la noche — mejor contraste térmico para detectar anomalías.

10 · El match técnico
11 / 16
M4T vs. alternativas enterprise

El match no es casualidad.
Es ingeniería de selección.

DJI Matrice 350 RTK + H30T

  • Peso total: 6.47 kg + payload ~900 g
  • Termica 640×512 (H30T radiométrica)
  • Requiere 1–2 operadores
  • IP45
  • Payload intercambiable (+ LiDAR L2)
  • Costo plataforma: USD ~12,000–15,000
  • Lanzamiento H30T: 2024
  • Tiempo setup terreno: 15–20 min
  • Ventaja: payloads intercambiables
  • Desventaja: tamaño, costo, 2 operadores
VS

DJI Matrice 4T

  • Peso: 1.22 kg (5× más liviano)
  • Termica 640×512 + Super-Res 1280×1024
  • 1 operador
  • Todo integrado (zoom 168mm + LRF + RTK)
  • O4 Enterprise transmisión 25 km
  • Lanzamiento: Enero 2025 (el más reciente)
  • Tiempo setup: <5 min
  • Autonomía 49 min (M350: 55 min)
  • Resistencia viento 12 m/s
  • 40% menos costo total de propiedad

Veredicto técnico para inspección PC8000

M4T para inspección de flota
Inspección dedicada PC8000 con protocolo fijo. El M4T cubre 100% del caso de uso con menor tiempo de setup y un solo operador.
M350 si hay LiDAR disponible
Si el cliente ya opera M350 con payloads LiDAR para topografía, añadir H30T es coherente. Para termografía pura, M4T es superior.
M4TD + Dock 3 para escalar
Cuando se escale a 5+ palas con inspección programada 24/7 sin piloto: migración natural a versión IP55 autónoma.
11 · El poder del zoom
12 / 16
Teleobjetivo 168 mm · 48 MP

A 20 metros de distancia,
se ve cada tornillo.

El Matrice 4T incorpora un teleobjetivo de 168 mm equivalentes (48 MP) con apertura f/2.8. A distancia segura, detecta fugas incipientes en fittings, fisuras en mangueras, manchas de aceite en vástagos de cilindros y ausencia de grasa en pasadores — detalles imposibles de ver desde el piso a simple vista.

Cilindros + mangueras · macro
Close-up cilindros y mangueras
Cilindros hidráulicos. Detección de rayaduras en vástago, manchas de aceite en sellos, hinchamiento de mangueras — todos síntomas tempranos de degradación.
Fitting · detalle
Detalle fitting pitón
Fittings y conexiones. Humedad, polvo aceitoso, oxidación.
Vástago extendido
Cilindro vástago extendido
Vástago cilindro. Estado cromado, fisuras, guía lateral.
Pasadores balde
Pasadores balde
Pasadores. Firma térmica grasa + verificación lubricación.
Fuga grasa fitting
Fuga de grasa en fitting
Fuga grasa. Macro detalle sello / empaquetadura.
Tornillería hidráulica
Tornillería hidráulica
Tornillería. Verificación torque visual, oxidación, fugas.
Capacidad 1

Detección de fugas incipientes

Gotas en fittings invisibles desde el piso — visibles a 20 m con zoom 168 mm.

Capacidad 2

Fisuras superficiales

Grietas en mangueras de alta presión, abrazaderas deformadas, abolladuras en aletas de coolers.

Capacidad 3

Condición superficies móviles

Estado del cromado en vástagos, presencia/ausencia de grasa fresca en pasadores críticos.

Capacidad 4

Cross-check térmico + visual

Cada hotspot térmico se confirma con zoom visual 48 MP en la misma captura, con timestamp y georreferencia.

12 · Protocolo operacional
13 / 16
Protocolo termográfico MCCO

40 minutos por pala.
4 fases. Cero improvisación.

Rutas pre-programadas en DJI Pilot 2, waypoints memorizados, checklist por fase. Replicable entre operadores, trazable en el tiempo, comparable entre vuelos.

01

Setup y calibración

Posicionamiento operador en zona segura. Verificación viento. Calibración emisividad por componente objetivo.

  • Checklist pre-flight M4T
  • Paleta Ironbow / Rainbow HC
  • Sincronización RTK con baseline
5 min
02

Órbita superestructura · 3 alturas

Vuelo orbital 360° a 3 niveles para capturar sala de máquinas, oil coolers, radiadores, swing motors desde ángulos complementarios.

  • Base 3–5 m: tren rodaje, motores traslado
  • Medio 5–8 m: sala máquinas, coolers
  • Alto 8–12 m: vista superior, cable drum
10 min
03

Ascenso por boom / stick / bucket

Ascenso paralelo al boom con paradas predefinidas. Zoom 168 mm sobre anomalías detectadas.

  • Base boom → cilindros inferiores
  • Medio boom → mangueras, fittings
  • Punta boom → cilindros stick
  • Bucket → pasadores, bushings
15 min
04

Detalle crítico + documentación

Re-vuelo dirigido sobre zonas con anomalías. Super-Res 1280×1024. Medición puntual con crosshair.

  • Super-Res activado
  • 3+ mediciones por anomalía
  • Fotos visuales alineadas
  • Cross-check con ficha componente
10 min
Ruta ascenso boom
Pre-ensamble boom con cilindros
Pre-ensamble boom — ruta de ascenso FASE 3
Ruteo mangueras
Ruteo mangueras boom
Ruteo mangueras boom — puntos de zoom FASE 3
Líneas grasa boom
Líneas de grasa boom
Líneas auto-lube — verificación F7 FASE 4
13 · Qué recibe el cliente
14 / 16
Paquete entregable por inspección

No entregamos fotos.
Entregamos decisiones.

01

Reporte ejecutivo PDF

Resumen 1 página para gerencia + detalle técnico por componente con foto térmica, visual, ficha técnica y G-code correlacionado.

02

Dataset radiométrico

R-JPEGs de cada captura. Cliente puede recalcular emisividad, rangos y paletas post-entrega sin re-vuelo.

03

Clasificación de hallazgos

Matriz CRÍTICO / ALERTA / OBSERVACIÓN con plazo de acción recomendado y referencia a página del manual oficial Komatsu.

04

Trending histórico

Desde el segundo vuelo: evolución ΔT por componente. Identificación de degradación progresiva antes del umbral crítico.

05

Work orders sugeridas

Para cada hallazgo ALERTA/CRÍTICO: descripción, criticidad, paginación Shop Manual, repuestos PARTS referenciados, tiempo estimado intervención.

06

Correlación con G-codes

Mapeo de cada hallazgo térmico contra los G-codes activos del PLC. Permite confirmar o anticipar alarmas del KOMTRAX Plus.

07

Fotos visuales 48 MP

Cada hotspot térmico acompañado de su foto visual con zoom 168 mm. Evidencia directa para inspector, gerencia y auditoría.

08

Dashboard web (opcional)

Visualización histórica ΔT por componente, alertas automáticas, integración con CMMS existente del cliente.

El valor agregado que nadie más entrega

Cada hallazgo en el reporte MCCO cita la página exacta del manual oficial Komatsu, el G-code correlacionado del PLC MTC, y el procedimiento documentado. No es opinión. Es ingeniería de conocimiento sobre 8,709 páginas Komatsu + 212 G-codes estructurados + 16 componentes perfilados.

14 · Cómo empezamos
15 / 16
Plan piloto sugerido · 90 días

Empezamos con una pala.
Demostramos. Escalamos.

Piloto controlado sobre una pala PC8000 representativa de la flota. Tres inspecciones quincenales + reporte consolidado + business case documentado con datos del cliente. Resultados medibles antes de cualquier compromiso de largo plazo.

Fase 1 · Días 1–15

Baseline térmico

Primera inspección completa 40 min. Establecimiento firma térmica normal para los 16 componentes críticos. Generación templates de rutas en DJI Pilot 2.

  • → 1 vuelo completo M4T
  • → Reporte baseline
  • → 4 rutas pre-programadas guardadas
Fase 2 · Días 16–60

Monitoreo quincenal

3 inspecciones adicionales con comparación contra baseline. Hallazgos clasificados CRÍTICO / ALERTA / OBSERVACIÓN con acciones recomendadas por la IA MCCO.

  • → 3 vuelos quincenales
  • → Reportes delta vs baseline
  • → Validación terreno mantención
Fase 3 · Días 61–90

Business case + escalamiento

Presentación gerencia con resultados reales del piloto. Correlación hallazgos vs G-codes del PLC. Propuesta contrato anual sobre flota completa y/o extensión a otros modelos.

  • → Reporte consolidado 90 días
  • → Business case con números reales
  • → Propuesta escalamiento flota
90 días
Duración piloto
4 vuelos
M4T sobre la pala objetivo
4 reportes
Incluye consolidado final
0 riesgo
Sin compromiso largo plazo
"El piloto no busca vender un contrato. Busca entregar evidencia. Si los hallazgos del piloto justifican el servicio, el contrato se firma solo." — Propuesta operacional MCCO
MCCO GROUP
16 / 16
Próximo paso

El brain ya está.
La IA ya está.
Falta el primer vuelo.

MCCO Group tiene el dron, el conocimiento de la PC8000 y la metodología operacional. Una demostración técnica en terreno vale más que 100 presentaciones.

Hagamos el primer vuelo juntos.

Traemos el M4T, el operador certificado, y la IA entrenada sobre PC8000. Ustedes traen la pala y la autorización. En 40 minutos tienen evidencia térmica documentada de toda su pala. En 90 días, business case completo.

Contacto

Mario Cabrera
CEO · MCCO Group SpA
mcabrera@mccocopper.cl
www.mccocopper.cl
Servicio especializado:
Inspección termográfica
Palas hidráulicas · Camiones CAEX